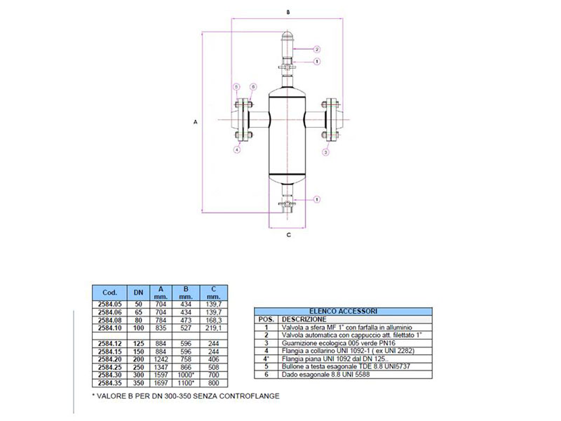
Defangatori

La gamma dei defangatori è stata realizzata per garantire una perfetta pulizia dell’impianto.

Il metodo di filtrazione a cartuccia permette, oltre ad una elevata qualità di pulizia ed una semplice manutenzione, di trattenere la maggior parte dell'impurità che rischierebbero di danneggiare caldaie, valvole termostatiche, scambiatori, pompe ed altre apparecchiature presenti negli impianti.

La nostra flessibilità produttiva ci permette di offrire al cliente, nelle situazioni di impianto particolari o dove ci siano problematiche di sistemazione, la possibilità di avere filtri defangatori costruiti su misura e realizzati con attacchi posizionati in modo diverso a seconda delle varie esigenze ottimizzandone ogni tipo di installazione.

Principio di funzionamento

Il principio di funzionamento del defangatore si basa sull’azione combinata di più fenomeni fisici.

L’elemento interno (1) è costituito da un insieme di superfici reticolari disposte a raggiera. Le impurità presenti nell’acqua, collidendo con tali superfici, vengono separate precipitando nella parte inferiore del corpo (2) in cui vengono raccolte.

 

 

 

Inoltre, l’ampio volume interno del defangatore fa sì che la velocità del flusso del fluido venga ridotta in modo tale che sia favorita, per gravità, la separazione delle particelle in esso contenute.

Lo scarico delle impurità raccolte viene effettuato, anche ad impianto funzionante, aprendo il rubinetto di scarico (3). Il defangatore è progettato in modo tale per cui, in esso risulta indifferente il senso di flusso del fluido termovettore.

 

defangatore4

I nostri contatti

Richiedi informazioni

  1. Nome:*
    valore non valido
  2. Email:*
    valore non valido
  3. Telefono:*
    valore non valido
  4. Città*
    Valore non valido
  5. Messaggio:*
    valore non valido
  6. Cliccando su "INVIA" dichiaro di aver preso visione dell' Informativa sulla privacy
  7. Valore non valido
Personalizza le tue preferenze sui cookie