Recentemente è stata sviluppata una nuova tecnologia di deionizzazione, l'elettrodeionizzazione in continuo, che è una combinazione tra l'elettrodialisi e lo scambio ionico. Si ottiene un processo, che deionizza l'acqua mentre le resine sono continuamente rigenerate per mezzo della corrente elettrica all'interno dell'unità. Questa rigenerazione elettrochimica sostituisce la rigenerazione chimica dei sistemi a scambio ionico tradizionali.
Il modulo di elettrodeionizzazione deve essere alimentato con acqua pretrattata con l'osmosi inversa: combinando queste due tecniche si ottiene acqua ultrapura (0,1-0,2 µS/cm²), partendo dall'acqua potabile.
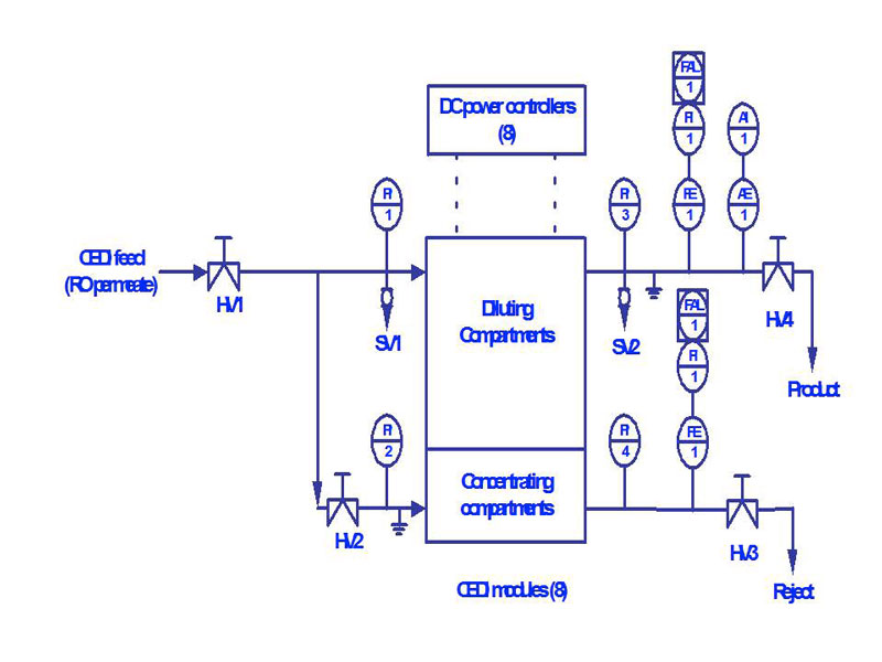
Il modulo per elettrodeionizzazione in continuo è formato da un certo numero di celle poste tra due elettrodi, ciascuna delle quali è formata da una cornice in polipropilene su cui sono poste da una parte una membrana permeabile ai cationi e sull'altra una membrana permeabile agli anioni. Lo spazio interno della cella, tra le due membrane ione selettive, viene riempito da uno strato di resina a scambio ionico.
Le celle sono divise una dall'altra da schermi separatori; l'acqua di alimentazione che entra nel modulo viene divisa in tre parti: una piccola parte lambisce gli elettrodi, il 65-75% dell'alimentazione passa attraverso il letto di resina all'interno delle celle e il rimanente fluisce lungo gli schermi separatori tra le celle.
La resina a scambio ionico cattura gli ioni presenti nell'alimentazione, nella parte superiore della cella, e la corrente elettrica applicata li spinge attraverso le membrane ione selettive verso gli elettrodi. I cationi sono spinti attraverso la membrana permeabile ai cationi verso il catodo e gli anioni attraverso la membrana anione selettiva verso l'anodo. D'altra parte, questi ioni non riescono ad arrivare agli elettrodi, in quanto respinti dalla membrana con la stessa carica della cella adiacente.
Gli ioni vengono quindi a concentrarsi nello spazio tra le celle, chiamato canale del "concentrato", vengono continuamente asportati dal flusso di lavaggio e scaricati. Il canale formato dalle due membrane ione selettive contenente le resine è denominato canale del "diluito".Mano a mano che l'acqua passa nel canale viene progressivamente deionizzata.
Nella parte terminale di questo canale, dove l'acqua è priva di ioni, si ha all'interno del campo elettrico la scissione dell'H20, e gli ioni H+ e OH- formatisi rigenerano le resine. Il modulo funziona quindi come un'unità a scambio ionico con rigenerazione in continuo.



